Envia-nos um email
Notícias

Construção e manutenção de mini escavadeiras

Construção e manutenção de mini escavadeiras


Mini Inovação da construção da escavadeira e manutenção inteligente: corpo pequeno que transporta grandes projetos


1 、 Análise da construção de mini escavadeiras: tecnologia de quatro dimensões remodelando o 'mágico espacial'

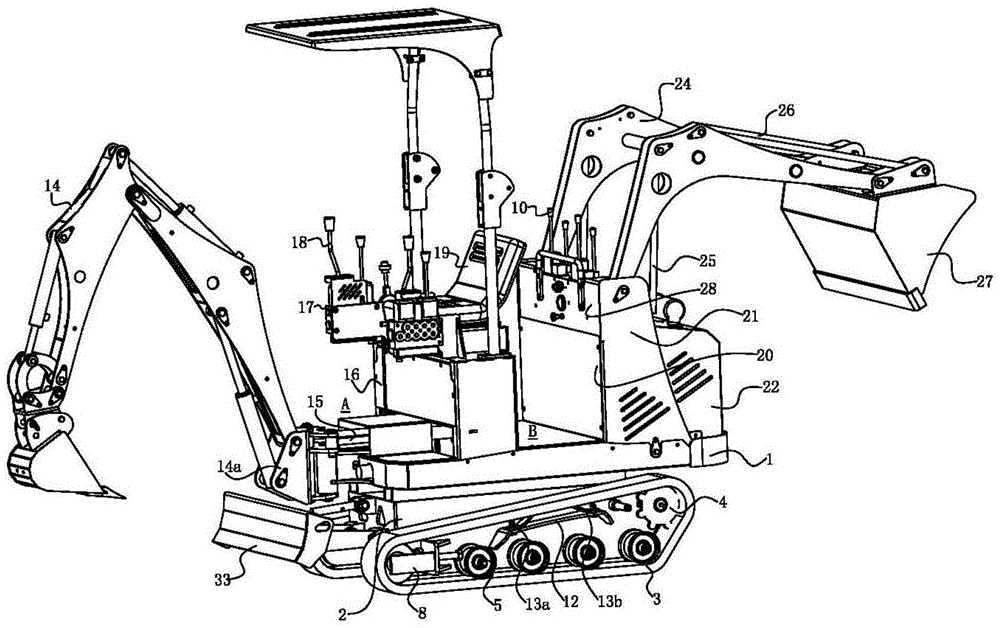
Chassi e sistema de caminhada:


Projeto de torneamento com barreiras: modelos como o SANY SY18U adotam uma estrutura de "protrusão de cauda zero", com um raio girando cauda de apenas 0,86 metros, permitindo uma rotação livre de 360 ​​° em túneis estreitos sem colar com paredes. Ao mesmo tempo, nossa mini escavadeira 0.8ton também pode obter um raio de giro de 1,1 m, permitindo uma operação gratuita e flexível em espaços estreitos.


Quadro de faixa ajustável: o medidor de faixa pode ser ajustado livremente (como a expansão e contração do SY16C com suporte 980-1350mm), facilitando a passagem de becos estreitos de 1 metro. A pressão de aterramento da pista de borracha é tão baixa quanto 25kpa, protegendo o solo pavimentado.


Rolamentos auto -lubrificantes: O chassi Yanmar usa rolamentos de plástico da série Iglidur G em vez de rolamentos tradicionais de esferas, que são incrustações anti, anti -ferrugem e sem manutenção, aumentando a vida útil de três vezes.




Sistema de potência e hidráulico:


Revolução de potência do modo duplo: A escavadeira pequena adota o Kubota KX019, que suporta comutação diesel/elétrica um clique, uma bateria de 20kWh fornece alcance de 8 horas e o ruído de operação interno é tão baixo quanto 66 decibéis.


Controle hidráulico inteligente: a tecnologia sensível à carga (como Shengang SK35SR-6) atinge a precisão da distribuição de fluxo de ± 1,8%, velocidade de resposta da ação composta de 0,7 segundos e redução do consumo de energia de 22%.




Aprimoramento dos equipamentos de trabalho:


Estrutura resistente ao desgaste: a articulação articulada do boom da escavadeira compacta passou por um tratamento térmico de carburismo (dureza HRC55+), e o balde é soldado com placa resistente ao desgaste do HARDOX500 (HB500), prolongando sua vida útil em 30%.


Patente de braço em movimento lateral: Kubota U-15-3s atinge o desvio esquerdo de 595 mm/desvio direito de 350 mm, e a escavação montada na parede não requer mover o corpo.


Dispositivo rotativo, operação geral de 360 ​​°, flexível para se adaptar a vários ambientes de trabalho.


Atualização de interação do computador humano


Role sobre a cabine resistente: certificada por ROPS/FOPS (resistente a 16 toneladas de pressão estática), equipada com assentos flutuantes, tela de toque LCD e monitoramento de vista surround da IA, reduzindo pontos cegos em 40%.


2 、 Manutenção e manutenção diária:

A regra de ouro da manutenção diária


Gerenciamento de óleo hidráulico: Use óleo hidráulico anti-vestuário nº 68 no verão e óleo de baixa viscosidade nº 32 no inverno. Verifique regularmente a limpeza do NAS (≤ Nível 8) para evitar o desgaste da bomba e da válvula.


Ciclo de enchimento da manteiga: Injete graxa a cada 10 dias para o rolamento rotativo e injete graxa de alta pressão a cada 4-8 horas para o ponto de dobradiça do dispositivo de trabalho para evitar que o eixo do pino fique preso.




Técnica de extensão da vida com componentes -chave:


Sistema de trilha: ajuste a tensão para evitar ser muito solta (dentes saltados) ou muito apertados (acelerando o desgaste); Limpe regularmente o cascalho para impedir a falha de vedação da roda de suporte.


Manutenção do "Use Triângulo de Ferro":

Inspeção de sapatos de rastreamento para rachaduras/500h

Os dentes da roda dentada são moídos e substituídos imediatamente

O vazamento de óleo de vedação da roda inerte precisa ser reparado

De acordo com as estatísticas de gatos de Stowers, 80% das falhas do chassi são causadas por esses três tipos de componentes.


Diretrizes para lidar com condições extremas de trabalho:


Operação de alta altitude: O motor turbo da mini escavadeira possui uma compensação de energia de 15%, e o sistema hidráulico está equipado com uma válvula de compensação de pressão para impedir a perda de fluxo.

Operação de Water Wading: No resgate da inundação italiana, o moderno HX35AZ alcançou uma profundidade de percorrer de 0,8 metros através de um módulo de circuito selado.


Padrões de armazenamento de longo prazo:


Estacione em uma sala seca, apoie as trilhas para reduzir a pressão de aterramento;

Encha o tanque de combustível para evitar condensação, retire todos os cilindros hidráulicos para evitar o envelhecimento do selo;

Comece uma vez a cada 3 meses para impedir que a placa de circuito fique úmida.


3 、 Fronteira tecnológica: eletrificação e reestruturação inteligente da ecologia industrial

Revolução de Power:


Bateria modular: Hitachi ZX55U-6EB suporta uma unidade dupla de energia e bateria comercial, com carregamento rápido de 2 horas para atender 10 horas de operação em 6 horas.


Teste de energia de hidrogênio: HD Hyundai desenvolveu um motor de combustível de hidrogênio (HX12) para obter uma construção de carbono zero.


Manutenção preditiva:


Diagnóstico remoto da IoT: o SANY SY35U está equipado com o sistema HI Mate, que analisa os dados de temperatura e vibração do óleo em tempo real, com uma taxa de precisão de alerta de falha de 92%.


Assistência à Manutenção de AR: A Kaise Micro Excavator fornece treinamento de operação VR para pequenas escavadeiras, simulando 30 cenários de falhas e melhorando a eficiência da manutenção em 40%.


4 、 Testemunha prática: da restauração da casa antiga ao equipamento de mineração

A restauração da residência de um estudioso da dinastia Ming e Qing em Taizhou: Kubota Sub-15-3s escavadeira pequena completou a escavação de uma trincheira subterrânea através de um arco de 0,85 metros, e a função de movimento lateral do boom protegeu a parede antiga com uma taxa intacta de 95%.


Operações subterrâneas em uma mina de cobre chileno: uma escavadeira compacta com uma cabine reforçada modificada operava continuamente por 300 horas sem problemas de função, resultando em uma redução de 23% nos custos de carregamento.


Construção municipal noturna de Tóquio: A versão elétrica pura da mini escavadeira Sany Sy19E opera silenciosamente a 66 decibéis, resolvendo o problema da "Janela do tempo de construção" da cidade.


Conclusão: Um corpo pequeno carrega um grande futuro

Desde o modelo ultrafino de 0,8 tonelada até o guerreiro pesado de 4 toneladas, pequenos escavadeiras estão passando por uma evolução tripla da construção de precisão, fontes de energia diversificadas e manutenção inteligente, reformulando o paradigma da construção global. Com as vendas anuais superiores a 3100 unidades no mercado indiano e uma taxa de penetração estimada de 40% para motores elétricos até 2025, essa revolução tecnológica de "usar pequena para ganhar grande" está destinada a descobrir uma oportunidade de ouro no mercado de trilhões de dólares.


Experiência de manutenção da indústria:

Para escavadeiras compactas, o design de precisão é a espinha dorsal, enquanto a manutenção inteligente é a força vital, economizando custos de manutenção em 1 yuan e reduzindo as despesas de reparo em 10 yuan.



Notícias relacionadas
Deixe-me uma mensagem
Móvel
Endereço
Changjiang West Road, distrito de Huangdao, cidade de Qingdao, província de Shandong, China
X
Utilizamos cookies para lhe oferecer uma melhor experiência de navegação, analisar o tráfego do site e personalizar o conteúdo. Ao utilizar este site, você concorda com o uso de cookies. política de Privacidade
Rejeitar Aceitar